Model No.: JRW-231M
Brand: YM
Output: Dc
Relay Type: Telecom
Ambient Temperature: -65℃~125℃
Sinusoidalvibration: 30g,(10~3000)Hz
Random Vibration: 0.4g²/Hz,239.1m/s²
Cyclone: 4.39kPa
Coil Powerconsumption: 0.17~0.25)W
Dielectricwithstandvoltage: Normal atmospheric pressure:500Vr.m.s., 50Hz Under low pressure: 125Vr.m.s., 50Hz
Contact Load Andlife: Resistance, 1A,28 Vd.c., 1× 10⁵ timesResistance, 0.25A,115 Va.c., 1×10⁵ times Low level, (10-50) μA, (10-50) mV, 1×10⁵ times
Insulationresistance: ≥1000MQ
Contact Resistance: Initial value ≤100mΩLife test after ≤200mQ
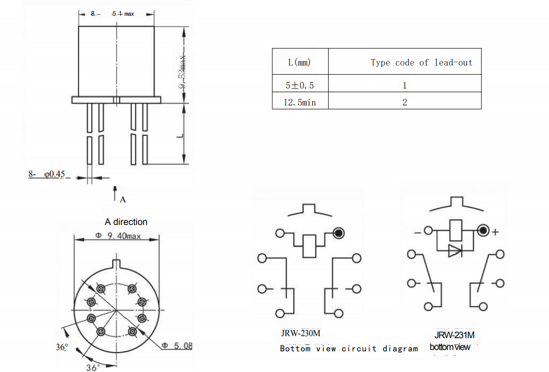
Weight: ≤3.4g,≤4.25g(JRW-231M)
Time Parameter: Action time: ≤4 ms Release time: ≤2 ms (with diode ≤7.5ms)
Tightness: Leakage rate ≤10³ Pa ·cm³/s
The JRW-231M Military Metal Aviation Relay is engineered as a universal replacement solution for both Teledyne 432D and Deutsch TVS series components. As a high-performance Military Metal Sealing Relay operating at 27V DC, this component delivers dual-legacy system compatibility for aviation, military, and industrial applications requiring comprehensive obsolescence management and reliable switching performance in demanding operational environments.

The JRW-231M provides authentic replacement capability for both Teledyne 432D and Deutsch TVS series relays, offering comprehensive support for mixed equipment environments. This dual compatibility surpasses standard Aviation DC Relays and basic PCB Board Relays that support only single legacy systems.
Metal Sealed Military Relay JRW-231M
Military Metal Aviation DC 27V Relay JRW-231M Replace 432D Teledyne
Military Grade Metal Relay JRW-231M Replace Relay TVS Series Deutsch
Military Metal Relay JRW 231M Replace 432D Teledyne TVS Deutsch
Aviation Relay for Drone,Aircraft Engine
High quality Aviation Relay for Drone Engine,Train,Plane.
Engineered with military-grade materials and hermetic sealing, this relay delivers superior reliability in harsh environments compared to standard Automotive Relays and commercial Industrial Power Relays, ensuring consistent performance under demanding conditions.
With fast switching speed and low contact resistance, the JRW-231M provides superior performance for precision applications, offering advantages over basic PCB Signal Relays and standard Flash Relays in critical control circuits.
Our expertise in Military Electromagnetic Relays and Sealed Magnetic Latching Relays enables development of components that maintain authentic dual-system compatibility while incorporating modern reliability enhancements and performance improvements.
The JRW-231M meets:
Enhanced manufacturing process:
Dual compatibility allows single-component support for multiple legacy systems, reducing inventory complexity, training requirements, and maintenance challenges in mixed equipment environments.
Comprehensive testing includes dimensional verification, electrical parameter matching, and functional testing against both Teledyne and Deutsch specifications to ensure authentic compatibility.
While standard DPDT 8Pin 27V Relay designs offer basic functionality, the JRW-231M provides dual legacy compatibility and military-grade reliability for demanding applications.
Typical lead time is 4-6 weeks, with priority available for urgent system sustainment requirements.
Yes, our engineering team can develop custom compatibility solutions for various legacy system combinations based on specific customer requirements and technical documentation.