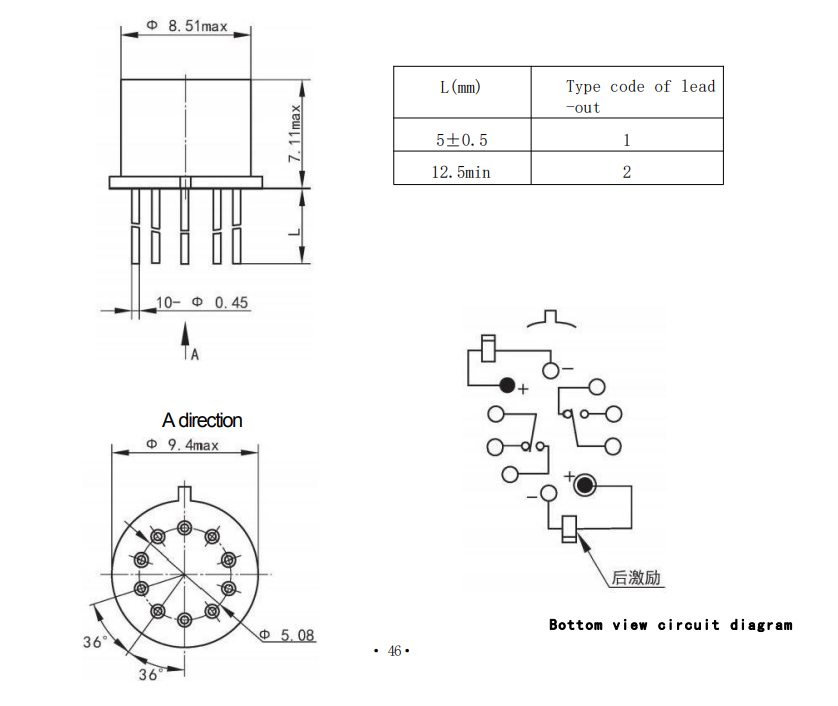
Model No.: JMW-270M TO-5
Brand: YM
Output: Dc
Relay Type: Telecom
Ambienttemperature: -65℃~125℃
Sinusoidalvibration: 30g,(10~3000)Hz
Random Vibration: 0.4g²/Hz,239.1m/s²
Cyclone: 4.39kPa
Coil Powerconsumption: Power consumption: (0.29 ~ 0.41) W(instantaneous)
Dielectricwithstandvoltage: Normal atmospheric pressure: 500Vr.m.s., 50Hz Under low pressure: 125Vr.m.s.,50Hz
Contact Load Andlife: Resistance, 1A,28 Vd.c., 1×10⁵ timesResistance, 0.25A,115 Va.c., 1×10⁵ times Low level (10-50) μA, (10-50) mV,1×10⁵ times
Insulationresistance: ≥ 1 0 0 0 M Q
Contact Resistance: Initial value ≤100m Life test after ≤200mQ
Weight: ≤2.84g
Tightness: Leakage rate ≤10Pa ·cm³/s
Time Parameter: Action time: ≤2 ms Incentive pulse width (10~50) ms
The JMW-270M is a high-performance Military Metal Relay designed for critical applications in aerospace, defense, and industrial sectors. This Metal Sealing Relay features exceptional durability and reliability, making it an ideal replacement for Teledyne 422 and Deutsch TL series relays.
With its TO-5 package and 28V rating, this Latching Relay ensures stable performance in demanding environments including drone systems, aircraft engines, and military vehicles.




This Polarized Relay serves as a crucial component in multiple high-reliability sectors:
This Military Metal Relay meets stringent military and aerospace standards for reliability and performance. The product complies with relevant international specifications for high-reliability electronic components.
As a specialized PCB Board Relay manufacturer, we offer customization services including:
Our production process for this Industrial Power Relay includes: